SAE AS4458B PDF
Original price was: $54.00.$30.78Current price is: $30.78.
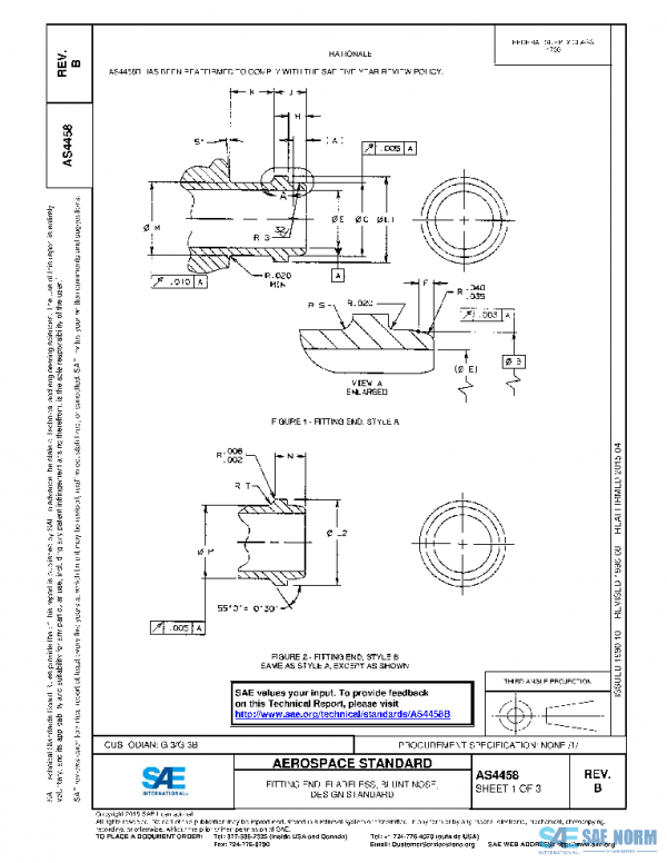
FITTING END, FLARELESS, BLUNT NOSE, DESIGN STANDARD
Description
FITTING END, FLARELESS, BLUNT NOSE, DESIGN STANDARD
History
| AS4458B | 2015-04-20 | Latest | Reaffirmed |
| AS4458A | 1992-07-01 | Historical | Revised |
| AS4458 | 1990-10-01 | Historical | Issued |
| ISSUING COMMITTEE | G-3, Aerospace Couplings, Fittings, Hose, Tubing Assemblies |
|---|---|
| DATE | 2015-04-20 |
| DOI | |
| ISCURRENT | Current |
| PAGE | 3 |
| PUBLISHER | SAE International |
| REVISED | REAFFIRMED |
Please select a variation to view its pdf.






Reviews
There are no reviews yet.