SAE AS4475A PDF
Original price was: $54.00.$30.78Current price is: $30.78.
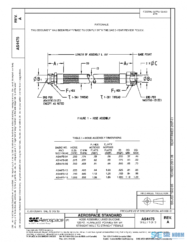
HOSE ASSEMBLY, LINED SILICONE, 125 PSI, FLARELESS, POTABLE WATER, STRAIGHT MALE TO STRAIGHT FEMALE
Description
HOSE ASSEMBLY, LINED SILICONE, 125 PSI, FLARELESS, POTABLE WATER, STRAIGHT MALE TO STRAIGHT FEMALE
History
| AS4475C | 2018-08-14 | Latest | Revised |
| AS4475B | 2013-01-07 | Historical | Reaffirmed |
| AS4475A | 2007-01-18 | Historical | Reaffirmed |
| AS4475 | 1992-05-01 | Historical | Issued |
| ISSUING COMMITTEE | G-3, Aerospace Couplings, Fittings, Hose, Tubing Assemblies |
|---|---|
| DATE | 2007-01-18 |
| DOI | |
| ISCURRENT | |
| PAGE | 3 |
| PUBLISHER | SAE International |
| REVISED | REAFFIRMED |
Please select a variation to view its pdf.






Reviews
There are no reviews yet.