SAE AS6446 PDF
Original price was: $62.00.$35.34Current price is: $35.34.
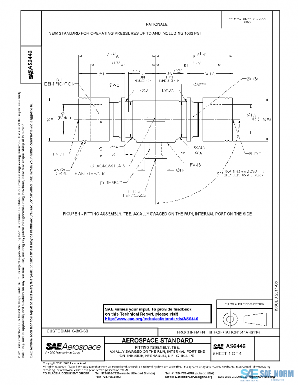
FITTING ASSEMBLY, TEE, AXIALLY SWAGED ON THE RUN, INTERNAL PORT END ON THE SIDE, HYDRAULIC, UP TO 1500 PSI
Description
FITTING ASSEMBLY, TEE, AXIALLY SWAGED ON THE RUN, INTERNAL PORT END ON THE SIDE, HYDRAULIC, UP TO 1500 PSI
History
| AS6446A | 2024-03-01 | Latest | Revised |
| AS6446 | 2011-08-05 | Historical | Issued |
| ISSUING COMMITTEE | G-3, Aerospace Couplings, Fittings, Hose, Tubing Assemblies |
|---|---|
| DATE | 2011-08-05 |
| DOI | |
| ISCURRENT | |
| PAGE | 4 |
| PUBLISHER | SAE International |
| REVISED | ISSUED |
Please select a variation to view its pdf.






Reviews
There are no reviews yet.