SAE AS85421/16B PDF
Original price was: $54.00.$30.78Current price is: $30.78.
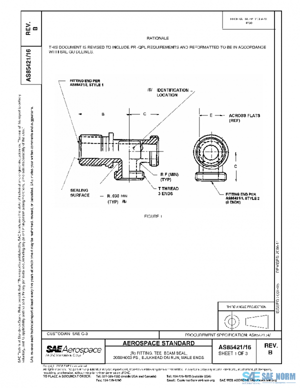
FITTING, TEE, BEAM SEAL, 3000/4000 PSI, BULKHEAD ON RUN, MALE ENDS
Description
FITTING, TEE, BEAM SEAL, 3000/4000 PSI, BULKHEAD ON RUN, MALE ENDS
History
| AS85421/16E | 2022-10-26 | Latest | Revised |
| AS85421/16D | 2017-10-04 | Historical | Revised |
| AS85421/16C | 2015-04-23 | Historical | Reaffirmed |
| AS85421/16B | 2006-11-14 | Historical | Revised |
| AS85421/16A | 2002-03-22 | Historical | Revised |
| AS85421/16 | 2001-05-01 | Historical | Issued |
| ISSUING COMMITTEE | G-3, Aerospace Couplings, Fittings, Hose, Tubing Assemblies |
|---|---|
| DATE | 2006-11-14 |
| DOI | |
| PAGE | 3 |
| PUBLISHER | SAE International |
| REVISED | REVISED |
Please select a variation to view its pdf.






Reviews
There are no reviews yet.